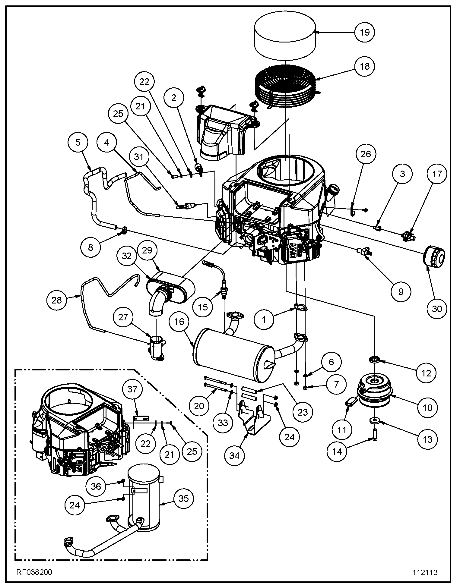
To purchase parts for the 420GP (Engine Assembly RF038200):
- Reference the part needed from the parts diagram and refer to the parts list below.
- Copy the Part Number and paste it into the search window above to see availability and pricing.
- Confirm your parts selection and "Add To Cart".

| Item | Part Number | Description | Qty | Item | Part Number | Description | Qty | |
| 1 | KA110607016 | GASKET, MUFFLER | 2 | 20 | NB068500 | BOLT, HEX, 1/4” X 3-1/2” | 2 | |
| 2 | NB8130 | CLAMP, 3/4” ID | 1 | 21 | NB6111 | WASHER, LOCK, 5/16” | 1 | |
| 3 | MP044800 | ADAPTER, 1/8” NPT | 1 | 22 | NB9267 | WASHER, FLAT, 5/16” | 1 | |
| 4 | NB2460 | HOSE, VACUUM, 5/32” | 27 | 23 | MP455900 | SPACER, 1/4” ID | 2 | |
| 5 | NB2470 | HOSE, FUEL, 3/8” | 26” | 24 | NB9545 | NUT, FLANGE, 1/4” | 2 | |
| 6 | KA461DA0800 | WASHER, LOCK, M8 | 4 | 25 | NB065000 | BOLT, HEX, M8 X 16 | 1 | |
| 7 | KA922107027 | NUT, HEX, M8 | 4 | 26 | NB8125 | CLAMP, 1/4” ID | 1 | |
| 8 | NB7282 | CLAMP, HOSE | 1 | 27 | MP376300 | CARB., ASM. | 1 | |
| 9 | MP072300 | VALVE, DRAIN, OIL | 1 | 28 | NB2460 | HOSE, VACUUM, 5/32” | 33” | |
| 10 | MP4787 | CLUTCH, ASM. | 1 | 29 | KA110137046 | PRECLEANER, AIR | 1 | |
| 11 | MP4790 | TUBING, NEOPRENE | 2.5” | 30 | KA490657007 | FILTER, OIL | 1 | |
| 12 | MP371700 | SPACER, 1.02” ID | 1 | 31 | KA920702112 | PLUG, SPARK, NGK, BPR4ES | 2 | |
| 13 | MP4805 | SPACER, BOTTOM, CLUTCH | 1 | 32 | KA110130752 | ELEMENT, FILTER, AIR | 1 | |
| 14 | NB005800 | BOLT, HEX, 7/16” X 1-1/2” | 1 | 33 | NB3350 | WASHER, FLAT, 1/4” | 2 | |
| 15 | MP466500 | SENSOR, OXYGEN | 1 | 34 | MP455601 | BRACE, MUFFLER | 1 | |
| 16 | MP364900 | MUFFLER, CATALYST | 1 | 35 | MP365300 | MUFFLER, CATALYST, VERT. | 1 | |
| 17 | MP019200 | SWITCH, PRESSURE, OIL | 1 | 36 | NB049300 | BOLT, FLANGE, 1/4” X 1/2” | 1 | |
| 19 | MP371300 | FILTER, INTAKE, ENGINE | 1 | 37 | MP387601 | BRACKET, MUFFLER | 1 |